Dodaj produkty podając kody
Dodaj plik CSV
Wpisz kody produktów, które chcesz zbiorczo dodać do koszyka (po przecinku, ze spacją lub od nowej linijki).
Powtórzenie wielokrotnie kodu, doda ten towar tyle razy ile razy występuje.
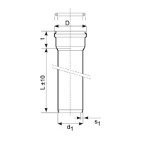
KG 2000 SN10 i SN16 jest nowoczesnym, wysokowydajnym systemem rur litych przeznaczonym do budowy kanalizacji sanitarnej i deszczowej. Nawet podczas ekstremalnych obciążeń pozostaje szczelny, bezpieczny i ekonomiczny przez co najmniej 100 lat. Może być dostarczany we wszystkich typowych wymiarach od DN 110 do DN 500.
Marka
Symbol
6270840
Rodzaj towaru
Rury do kanalizacji zewnętrznej z PVC-U
EAN
4052836708403
Kod producenta
70840
Strona www producenta
www.magnaplast.pl
Zapytaj o produkt
Napisz swoją opinię



















