Dodaj produkty podając kody
Dodaj plik CSV
Wpisz kody produktów, które chcesz zbiorczo dodać do koszyka (po przecinku, ze spacją lub od nowej linijki).
Powtórzenie wielokrotnie kodu, doda ten towar tyle razy ile razy występuje.
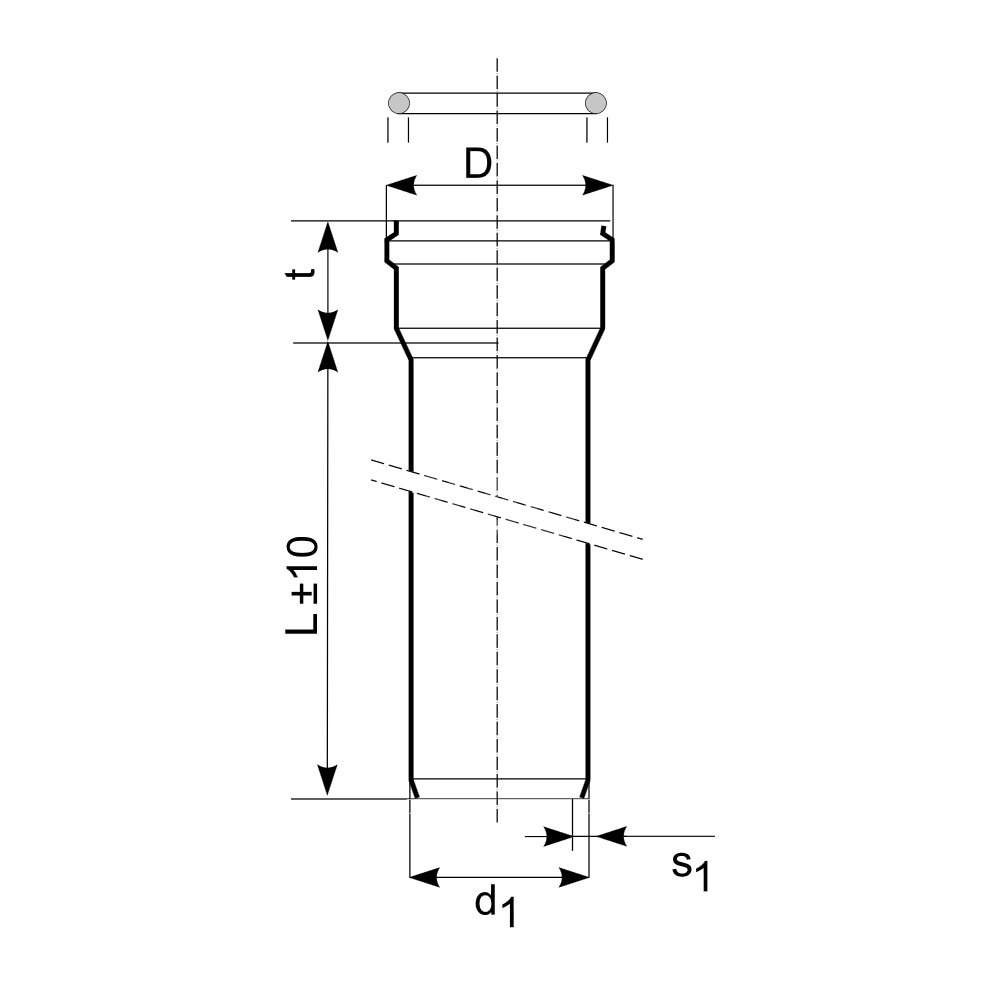
KG to system rur i kształtek kanalizacyjnych stworzony do przesyłania ścieków bytowo-gospodarczych i wód deszczowych. Bezciśnieniowe przewody stanowią jedną z najważniejszych instalacji infrastruktury podziemnej. Dlatego ważne jest by stosować takie rozwiązania, które pozwalają osiągnąć jak najlepszą jakość inwestycji przy jak najmniejszym jej koszcie.
Marka
Symbol
62223045
Rodzaj towaru
Rury do kanalizacji zewnętrznej z PVC-U
EAN
4052836953759
Kod producenta
223045
Strona www producenta
www.magnaplast.pl
Zapytaj o produkt
Napisz swoją opinię












![Redukcja PP mimośrodowa DN60/80mm z uszczelką [EPDM]](hpeciai/1e3bac900bc9e8b9a5658314c5fb824e/pol_is_Redukcja-PP-mimosrodowa-DN60-80mm-z-uszczelka-EPDM-65276.jpg)













