Dodaj produkty podając kody
Dodaj plik CSV
Wpisz kody produktów, które chcesz zbiorczo dodać do koszyka (po przecinku, ze spacją lub od nowej linijki).
Powtórzenie wielokrotnie kodu, doda ten towar tyle razy ile razy występuje.
Ta pompa obiegowa jest przeznaczona tylko do wody użytkowej.
Możliwość zastosowania w instalacjach cyrkulacyjnych ciepłej wody użytkowej do zastosowań w przemyśle i technice budynków.
Niewymagająca konserwacji, bezdławnicowa pompa obiegowa z przyłączem gwintowanym lub kołnierzowym, możliwość wyboru stopnia prędkości obrotowej w celu dopasowania wydajności
*Wyposażenie i funkcje
*Ręczne dostosowanie wydajności pompy poprzez wybór 3 stopni prędkości obrotowej
*Pompy z silnikiem 1~:
**P2 do 90 W: Wewnętrzne zabezpieczenie przed niedopuszczalnie wysokimi temperaturami uzwojenia
**P2 = 180 W: Pełne zabezpieczenie silnika zapewnione przez styki ochronne uzwojenia w połączeniu z urządzeniem wyzwalającym
*Pompy z silnikiem 3~:
**P2 do 90 W: Wewnętrzne zabezpieczenie przed niedopuszczalnie wysokimi temperaturami uzwojenia
**P2 ≥ 180 W: Pełne zabezpieczenie silnika z wbudowanym wyzwalaczem elektronicznym
*Lampka sygnalizacji awarii
*Styk zbiorczej sygnalizacji awarii
*Świetlna sygnalizacja kierunku obrotów
*Napięcie zasilania 3~230 V z opcjonalną wtyczką przełączającą
*Korpus pompy z brązu lub żeliwa szarego (stal nierdzewna w zależności od typu)
*Kołnierz kombinowany PN 6/PN 10 (dla DN 40 do DN 65)
*Pokrywy izolacji termicznej
*Funkcje dodatkowe do dyspozycji po doposażeniu w moduł Protect C:
**Sygnalizacja awarii SSM jako bezpotencjałowy styk rozwierny
**Sygnalizacja pracy SBM jako bezpotencjałowy styk zwierny
**Wejście sterujące „Wyłączanie z priorytetem” przez zewnętrzny styk bezpotencjałowy (rozwierny)
**Wykrywanie blokady
**Pełne zabezpieczenie silnika z urządzeniem wyzwalającym
**Potwierdzenie usterki
*Zarządzanie pracą pomp podwójnych (dwie pompy pojedyncze zainstalowane równolegle): Praca/rezerwa (automatyczne przełączanie awaryjne/zależna od czasu naprzemienna praca pomp)
Dane eksploatacyjne
*temperatura przetłaczanej cieczy: -20 oC
*temperatura otoczenia: 0 oC
*Maks. ciśnienie robocze: 10 bar
*Max. dozwolona twardość całkowita w systemach cyrkulacyjnych ciepłej wody użytkowej: 3,57 mmol/l (20 odH) (3,21 mmol/l (18 odH) dla 20/4 + 25/6)
Dane silnika
*Generowanie zakłóceń:
*Odporność na zakłócenia:
*Przyłącze sieciowe:
*Pobór mocy: 340
*Prędkość obrotowa maks.: 2700 Obroty / min
*Prąd znamionowy: 1,62 A
*Stopień ochrony silnika:
*Dławik przewodu:
Materiały
*Korpus pompy:
*Wirnik:
*Wał: Stal nierdzewna
*Materiał łożysk: Węgiel spiekany, impregnowany żywicą
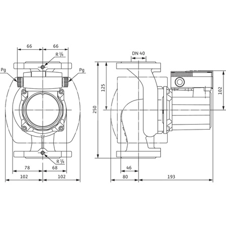
Wymiary montażowe
*Przyłącze gwintowane po stronie ssawnej: DN 40
*Przyłącze gwintowane po stronie tłocznej: DN 40
*Długość montażowa: 250 mm
Informacje na temat umiejscowienia zamówień
*Produkt:
*Nazwa produktu: TOP-Z 40/7 (1~230 V, PN 6/10, RG)
*Masa netto ok.: 13 kg
*Numer artykułu: 2046637
Marka
Symbol
812046637
Rodzaj towaru
Pompy i grupy pompowe do c.o. i c.w.u.
EAN
4016322685487
Kod producenta
2046637
Długość kabla [m]
10
Prąd znamionowy [A]
1.62
Prędkość obrotowa [obr/min]
2900
Pobór mocy silnika (P1) [W]
0.34
Pobór mocy przez pompę (solpump) [W]
340
Pobór mocy przez pompę w trybie czuwania (solstandbypump) [W]
175
Materiał wirnika
Polipropylen
Częstotliwość
50 Hz
Stopień ochrony (IP)
IPX4D
Klasa izolacji wg IEC
H
Liczba faz
1
Temperatura otoczenia [°C]
40
Zakres napięcia znamionowego [V]
230
Maks. ciśnienie robocze [bar]
10
Średnia temperatura (praca ciągła) [°C]
80
Średnica zewnętrzna przyłącza od strony wylotowej [mm]
40
Maks. wydajność (maks. przepływ) [m³/h]
16.2
Maks. wysokość podnoszenia [m]
6.014
Przepływ nominalny (BEP) [m³/h]
9.89
Wysokość podnoszenia przy przepływie nominalnym (BEP) [kPa]
43.8
Materiał korpusu pompy
Brąz
Gatunek materiału korpusu pompy
Brąz
Gatunek materiału wirnika
PP-GF
Przyłącze od strony wlotowej
Kołnierz
Średnica nominalna przyłącza od strony wlotowej
DN 40
Klasa ciśnienia kołnierza przyłącza wlotowego
PN 10
Rodzaj przyłącza wlotowego
EN 1092-2
Przyłącze po stronie wylotowej
Kołnierz
Średnica nominalna przyłącza od strony wylotowej
DN 40
Klasa ciśnienia kołnierza przyłącza wylotowego
PN 10
Rodzaj przyłącza wylotowego
EN 1092-2
Kształt końcówki
Okrągły
Długość towaru w centymetrach
22.5
Wysokość towaru w centymetrach
26
Szerokość towaru w centymetrach
35
Strona www producenta
www.wilo.pl
Zapytaj o produkt
Napisz swoją opinię
















