Dodaj produkty podając kody
Dodaj plik CSV
Wpisz kody produktów, które chcesz zbiorczo dodać do koszyka (po przecinku, ze spacją lub od nowej linijki).
Powtórzenie wielokrotnie kodu, doda ten towar tyle razy ile razy występuje.
Rodzaje regulacji
*„Regulacja prędkości obrotowej”: Ręcznie za pomocą zielonego pokrętła lub sygnału z zewnątrz
*Stałe i zmienne ciśnienie: Regulacja ciśnienia poprzez czujnik, ustawienie wartości zadanej za pomocą zielonego pokrętła lub sygnału z zewnątrz
*Regulator PID: inne stałe zmienne kontrolne (temperatura, przepływ objętościowy, ciśnienie....) z czujnikiem, regulacja wartości zadanej za pomocą zielonego przycisku oraz sygnałów zewnętrznych
Moduł elektroniczny zapewnia różne funkcje zabezpieczające włącznie z zabezpieczeniem przeciążeniowym, zabezpieczeniem przed suchobiegiem, przed zbyt niskim napięciem w sieci albo przepięciem, przed wysoką temperaturą otoczenia, zanikiem fazy, blokadą pompy i zwarciem. Komunikaty o awarii są podawane na wyświetlaczu.
Wejście:
*In1: Wejście, sygnał czujnika 4 - 20 mA, 0 - 10 V, 0 - 20 mA lub 2 - 10 V
*In2: Wejście, wartość zadana 0 - 20 mA, 0 - 10 V, 4 - 20 mA lub 2 - 10 V
Wyjście:
*Wyjście napięcia +24 V z max. obciążeniem styku 50 mA
*Bezpotencjałowa zbiorcza sygnalizacja pracy i awarii SBM/SSM
*Zewn. Tryb WŁ./WYŁ. Komunikacja podczerwienią
*Gniazdo IF-Modułów Wilo Modbus, BACnet, CAN, PLR, LON do połączenia z automatyką budynku
Podłączenie wału pompy i wału silnika jest realizowane przez złączkę zaciskową. Oddzielne łożysko toczne latarni zapewnia optymalne przyjęcie sił osiowych. Specjalne, trwale przymocowane osie podnoszące umożliwiają łatwy montaż pompy.
Pompa służy do zaopatrywania w wodę i podwyższania ciśnienia, zarówno w przemysłowych systemach cyrkulacyjnych, jak i w obiegach wody procesowej i zamkniętych obiegach chłodzenia. Można ją również stosować w myjniach oraz do nawadniania.
Cechy szczególne/zalety produktu
*Prosta obsługa i konfiguracja za pomocą zielonego przycisku z funkcją blokady i wyświetlaczem
*Hydraulika 2D/3D z optymalizacją sprawności, spawana laserowo i wysokosprawna (z optymalizacją przepływu i odgazowania)
*Wirniki, kierownice, obudowy stopnia z materiału odpornego na korozję
*Hydraulika z przepływem i optymalizacją trybu odgazowania
*Korpus pompy zoptymalizowany pod względem przepływu i wartości nadwyżki antykawitacyjnej
*Konstrukcja gwarantująca łatwą konserwację
*Atest dla wody użytkowej do pomp z częściami ze stali nierdzewnej, które mają kontakt z medium (wersja EPDM)
Zakres dostawy
*Wysokociśnieniowa pompa wirowa Wilo-Helix VE
*Instrukcja montażu i obsługi
Wskazówki odnośnie do konstrukcji
*Pompy typoszeregu Helix VE są wyposażone w przyjazne dla użytkownika uszczelnienie mechaniczne (X-Seal) o budowie kasetowej i standardową uszczelkę.
*Okrągłe przeciwkołnierze z żeliwa szarego lub stali nierdzewnej, śruby, nakrętki i uszczelki dla pomp wersji PN 16 oraz PN 25 są dostępne jako wyposażenie dodatkowe.
*Demontowanle sprzęgło ułatwia i przyspiesza wymianę uszczelnienia mechanicznego bez konieczności demontażu silnika (o mocy od 5,5 kW).
*Opcjonalne, wkładane IF-Moduły
*Czujniki są dostępne w ramach wyposażenia dodatkowego.
*Zestawy obejść są dostępne w ramach wyposażenia dodatkowego.
Dane eksploatacyjne
Dane produktu
*Min. temperatura przetłaczanej cieczy: -30 oC
*Maks. temperatura przetłaczanej cieczy: 120 oC
*Maks. temperatura otoczenia: 50 oC
*Maks. ciśnienie robocze: 16 bar
*Ciśnienie na dopływie: 10 bar
*Wskaźnik minimalnej energochłonności (MEI): 0,7
Dane silnika
*Kompatybilność elektromagnetyczna:
*Przyłącze sieciowe:
*Tolerancja napięcia:
*Znamionowa moc silnika: 2200
*Klasa sprawności energetycznej silnika:
*Prąd znamionowy: 5,1 A
*Prędkość obrotowa min.: 1010 Obroty / min
*Prędkość obrotowa maks.: 3535 Obroty / min
*Klasa izolacji: F
*Stopień ochrony:
Materiały
*Korpus pompy: Stal nierdzewna
*Wirnik: Stal nierdzewna
*Wał: Stal nierdzewna
*Uszczelnienie wału: Q1BE3GG
*Materiał uszczelnienia:
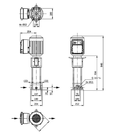
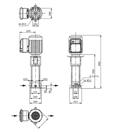
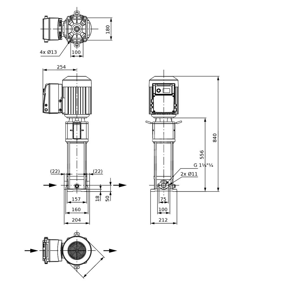
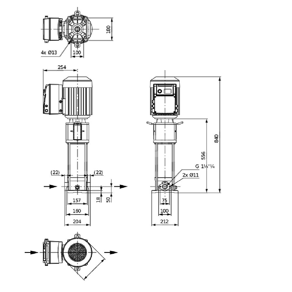
Wymiary montażowe
*Przyłącze gwintowane po stronie ssawnej: G 1¼
*Przyłącze gwintowane po stronie tłocznej: G 1¼
Informacje na temat umiejscowienia zamówień
*Produkt:
*Nazwa produktu: Helix VE 606-1/16/E/KS
*Masa netto ok.: 39,7 kg
*Numer artykułu: 4161426
Marka
Symbol
814161426
Rodzaj towaru
Pompy do wody użytkowej
EAN
4048482198590
Kod producenta
4161426
Prąd znamionowy [A]
5.9
Długość wbudowania [mm]
204
Moc oddawana silnika (P2) [kW]
2.2
Prędkość obrotowa [obr/min]
3500
Wysokość pompy [mm]
128
Model
Pionowy
Częstotliwość
50/60 Hz
Klasa izolacji wg IEC
F
Stopień ochrony (IP)
IP55
Regulacja obrotów silnika
Wbudowany
Sposób regulacji prędkości obrotowej
Bezstopniowo
Liczba faz
3
Zakres napięcia znamionowego [V]
400
Maks. ciśnienie robocze [bar]
16
Średnica zewnętrzna przyłącza od strony wylotowej [mm]
32
Maks. wydajność (maks. przepływ) [m³/h]
12
Maks. wysokość podnoszenia [m]
73
Wskaźnik minimalnej sprawności (MEI)
0.7
Materiał korpusu pompy
Stal nierdzewna
Gatunek materiału korpusu pompy
Stal nierdzewna 304
Materiał wirnika
Stal nierdzewna
Gatunek materiału wirnika
Stal nierdzewna 304
Materiał połączenia
Stal nierdzewna
Gatunek materiału połączenia
Stal nierdzewna 304
Podłączenie elektryczne
Zaciski
Układ komunikacji
Przygotowany
Przyłącze od strony wlotowej
Gwint wewnętrzny gazowy walcowy
Średnica nominalna przyłącza od strony wlotowej
1 1/4 cala
Klasa ciśnienia kołnierza przyłącza wlotowego
PN 16
Rodzaj przyłącza wlotowego
ISO 228-1
Przyłącze po stronie wylotowej
Gwint wewnętrzny gazowy walcowy
Średnica nominalna przyłącza od strony wylotowej
1 1/4 cala
Klasa ciśnienia kołnierza przyłącza wylotowego
PN 16
Rodzaj przyłącza wylotowego
ISO 228-1
Kształt końcówki
Inne
Klasa efektywności energetycznej silnika
IE4
Długość towaru w centymetrach
40
Wysokość towaru w centymetrach
60
Szerokość towaru w centymetrach
120
Strona www producenta
www.wilo.pl
Zapytaj o produkt
Napisz swoją opinię












