Dodaj produkty podając kody
Dodaj plik CSV
Wpisz kody produktów, które chcesz zbiorczo dodać do koszyka (po przecinku, ze spacją lub od nowej linijki).
Powtórzenie wielokrotnie kodu, doda ten towar tyle razy ile razy występuje.
Pompa ta ma kompaktową konstrukcję z wałem przelotowym silnik-pompa i niezależnym od kierunku obrotów uszczelnieniem mechanicznym. Komory stopni, wirniki i kierownice ze stali nierdzewnej. Korpus pompy jest wykonany z żeliwa z powłoką kataforetyczną i posiada przyłącza w formie kołnierzy owalnych.
Pompa jest przeznaczona do rozdziału wody i podwyższania ciśnienia w przemysłowych instalacjach obiegowych, instalacjach wody procesowej i w obiegach wody chłodzącej. Znajduje zastosowanie zarówno w myjniach, jak i systemach nawadniania.
Cechy szczególne/zalety produktu
*Zwarta konstrukcja blokowa o niewielkich wymogach przestrzennych
Zakres dostawy
*Wielostopniowa wysokociśnieniowa pompa wirowa Wilo-MVIL
*Instrukcja montażu i obsługi
*Przeciwkołnierze z żeliwa szarego i odpowiednie śruby, nakrętki i uszczelki
Zalecenia dotyczące projektowania
*Zabezpieczenie silnika indukcyjnego trójfazowego zapewnia Użytkownik
*Silnik prądu zmiennego jest wyposażony w zintegrowane, termiczne zabezpieczenie silnika oraz kondensator
Dane eksploatacyjne
Dane produktu
*Min. temperatura przetłaczanej cieczy: -15 oC
*Maks. temperatura przetłaczanej cieczy: 90 oC
*Maks. temperatura otoczenia: 40 oC
*Maks. ciśnienie robocze: 16 bar
*Ciśnienie na dopływie: 10 bar
*Wskaźnik minimalnej energochłonności (MEI): 0,4
Dane silnika
*Przyłącze sieciowe:
*Tolerancja napięcia:
*Znamionowa moc silnika: 750
*Klasa sprawności energetycznej silnika:
*Prąd znamionowy: 1,9 A
*Znamionowa prędkość obrotowa: 2900 Obroty / min
*Współczynnik mocy: 0,75
*Sprawność silnika ηm 50 %: 79,5
*Sprawność silnika ηm 75 %: 80,7
*Sprawność silnika ηm 100 %: 80,7
*Klasa izolacji: F
*Stopień ochrony:
Materiały
*Korpus pompy: EN-GJL-250
*Wirnik: Stal nierdzewna
*Wał: Stal nierdzewna
*Materiał uszczelnienia:
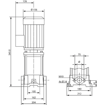
Wymiary montażowe
*Przyłącze gwintowane po stronie ssawnej: DN 32
*Przyłącze gwintowane po stronie tłocznej: DN 32
Informacje na temat umiejscowienia zamówień
*Produkt:
*Nazwa produktu: Multivert MVIL 108 (3~400 V)
*Masa netto ok.: 24,4 kg
*Numer artykułu: 4211056
Marka
Symbol
814211056
Rodzaj towaru
Pompy do wody użytkowej
EAN
4048482693682
Kod producenta
4211056
Prąd znamionowy [A]
1.9
Moc oddawana silnika (P2) [kW]
0.75
Prędkość obrotowa [obr/min]
2900
Częstotliwość
50 Hz
Klasa izolacji wg IEC
F
Stopień ochrony (IP)
IP54
Liczba faz
3
Zakres napięcia znamionowego [V]
400
Maks. ciśnienie robocze [bar]
16
Średnica zewnętrzna przyłącza od strony wylotowej [mm]
32
Maks. wydajność (maks. przepływ) [m³/h]
3.5
Maks. wysokość podnoszenia [m]
75.96
Wskaźnik minimalnej sprawności (MEI)
0.4
Materiał korpusu pompy
Żeliwo
Gatunek materiału korpusu pompy
Żeliwo GG 25
Materiał wirnika
Stal nierdzewna
Gatunek materiału wirnika
Stal nierdzewna 304
Materiał połączenia
Żeliwo
Gatunek materiału połączenia
Żeliwo GG 25
Przyłącze od strony wlotowej
Kołnierz
Średnica nominalna przyłącza od strony wlotowej
DN 32
Klasa ciśnienia kołnierza przyłącza wlotowego
PN 25
Rodzaj przyłącza wlotowego
EN 1092-2
Przyłącze po stronie wylotowej
Kołnierz
Średnica nominalna przyłącza od strony wylotowej
DN 32
Klasa ciśnienia kołnierza przyłącza wylotowego
PN 25
Rodzaj przyłącza wylotowego
EN 1092-2
Kształt końcówki
Okrągły
Klasa efektywności energetycznej silnika
IE3
Długość towaru w centymetrach
31
Wysokość towaru w centymetrach
44
Szerokość towaru w centymetrach
81
Strona www producenta
www.wilo.pl
Zapytaj o produkt
Napisz swoją opinię






















