Dodaj produkty podając kody
Dodaj plik CSV
Wpisz kody produktów, które chcesz zbiorczo dodać do koszyka (po przecinku, ze spacją lub od nowej linijki).
Powtórzenie wielokrotnie kodu, doda ten towar tyle razy ile razy występuje.
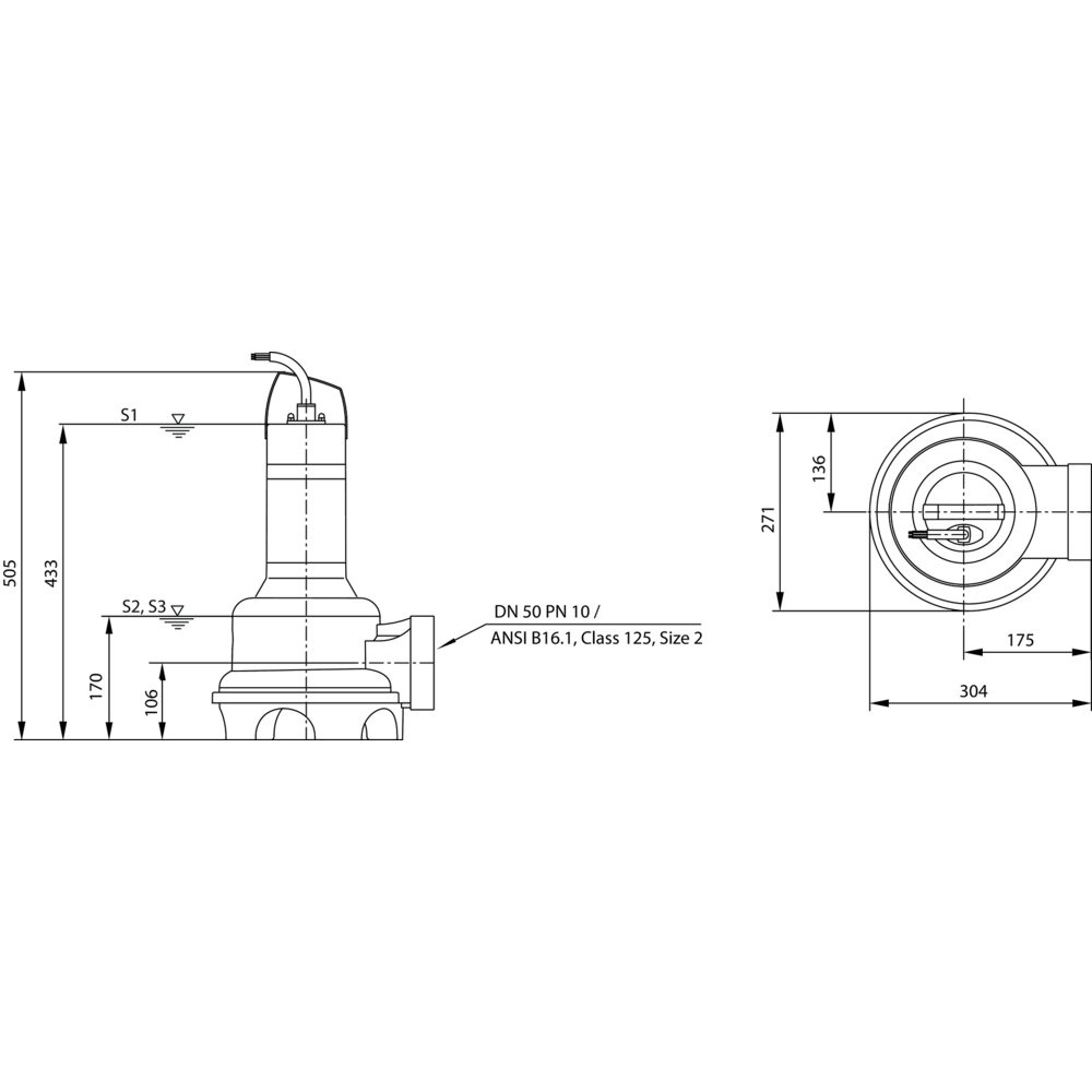
Całkowicie zanurzona pompa zatapialna do ścieków, do stacjonarnego i przenośnego ustawienia mokrego, do tłoczenia wody zanieczyszczonej i ścieków zawierających fekalia (w zakresie obowiązywania normy EN 12050-1). Korpus hydrauliczny i wirnik z kopolimeru, korpus silnika ze stali nierdzewnej. Przyłącze tłoczne z poziomym króćcem ciśnieniowym jako połączenie kołnierzowe z wbudowanym mocowaniem i uszczelką płaską. Silnik chłodzony powierzchniowo w wersji na prąd trójfazowy z podwójnym uszczelnieniem i termiczną kontrolą silnika. Rozłączny kabel zasilający z wolną końcówka kabla. Wszystkie urządzenia bez certyfikatu Ex.
Dane eksploatacyjne
*Wysokość podnoszenia maks.: 8,7 m
Dane produktu
*Rodzaj konstrukcji wirnika: Wirnik o swobodnym przepływie
*Swobodny przelot kuli w systemie hydraulicznym: 44 mm
*Maks. ciśnienie robocze: 0,96 bar
*Maks. głębokość zanurzenia: 7 m
*temperatura przetłaczanej cieczy: 3 oC
Dane silnika
*Konstrukcja silnika: Silnik zatapialny - chłodzony powietrzem
*Przyłącze sieciowe:
*Tolerancja napięcia:
*Współczynnik mocy: 0,8
*Znamionowa moc silnika: 550
*Pobór mocy: 810
*Prąd znamionowy: 1,5 A
*Prąd rozruchowy: 7,1 A
*Rodzaj załączania: Bezpośrednio online (DOL)
*Liczba biegunów:
*Znamionowa prędkość obrotowa: 2819 Obroty / min
*Maks. częstotliwość załączania: 60
*Klasa izolacji: F
*Stopień ochrony:
*Tryb pracy (zanurzony):
*Tryb pracy (wynurzony): S2-15 min S3-10%
Przewód
*Długość kabla zasilającego: 10 m
*Typ przewodu:
*Przekrój przewodu: 6G1 mm²
*Wtyczka sieciowa: nie
*Rodzaj kabla zasilającego: Odłączana
Wyposażenie/funkcja
*Wyłącznik pływakowy: nie
*Rozdrabniacz: nie
*Rodzaj ochrony przeciwwybuchowej:
*Zabezpieczenie silnika: Bimetal
*Monitorowanie wycieków silnika: nie
*Monitorowanie wycieków komory uszczelniającej: Opcjonalnie
*Monitorowanie wycieków komory przecieków: nie
Materiały
*Korpus pompy:
*Wirnik:
*Wał: Stal nierdzewna
*Materiał uszczelnienia po stronie pompy: QQPGG
*Materiał uszczelnienia po stronie silnika:
*Materiał uszczelnienia:
*Materiał silnika: Stal nierdzewna
Wymiary montażowe
*Przyłącze gwintowane po stronie ssawnej: -
*Przyłącze gwintowane po stronie tłocznej: DN 50
Informacje na temat umiejscowienia zamówień
*Produkt:
*Nazwa produktu: Rexa UNI V05/T06-540
*Masa netto ok.: 13,8 kg
*Numer artykułu: 6082119
Marka
Symbol
816082119
Rodzaj towaru
Pompy do wody użytkowej
EAN
4048482757735
Kod producenta
6082119
Prąd znamionowy [A]
1.5
Maks. średnica elementów stałych [mm]
44
Prędkość obrotowa [obr/min]
2819
Maksymalna wysokość podnoszenia [m]
8.739
Pobór mocy silnika (P1) [W]
0.81
Moc oddawana silnika (P2) [W]
0.55
Materiał obudowy silnika
Stal nierdzewna
Gatunek materiału obudowy silnika
Stal nierdzewna 304
Materiał korpusu pompy
Polipropylen
Gatunek materiału korpusu pompy
St 37
Częstotliwość
50 Hz
Stopień ochrony (IP)
IP68
Klasa izolacji wg IEC
F
Podłączenie elektryczne
Przewód połączeniowy z wtyczką
Wyłącznik pompy
Inne
Liczba faz
3
Zakres napięcia znamionowego [V]
400
Maks. ciśnienie robocze [bar]
0.96
Średnica zewnętrzna przyłącza od strony wylotowej [mm]
50
Maks. wydajność (maks. przepływ) [m³/h]
27
Przepływ nominalny (BEP) [m³/h]
13.45
Wysokość podnoszenia przy przepływie nominalnym (BEP) [kPa]
46.35
Głębokość zanurzenia [m]
7
Materiał wirnika
Polipropylen
Gatunek materiału wirnika
PP-GF
Przyłącze po stronie wylotowej
Kołnierz
Średnica nominalna przyłącza od strony wylotowej
DN 50
Klasa ciśnienia kołnierza przyłącza wylotowego
PN 10
Rodzaj przyłącza wylotowego
EN 1092-2
Kształt końcówki
Inne
Nominalny tryb pracy
S2 15 minut
Długość towaru w centymetrach
30
Wysokość towaru w centymetrach
80.5
Szerokość towaru w centymetrach
40
Strona www producenta
www.wilo.pl
Zapytaj o produkt
Napisz swoją opinię












