Dodaj produkty podając kody
Dodaj plik CSV
Wpisz kody produktów, które chcesz zbiorczo dodać do koszyka (po przecinku, ze spacją lub od nowej linijki).
Powtórzenie wielokrotnie kodu, doda ten towar tyle razy ile razy występuje.
Całkowicie zanurzona pompa zatapialna do ścieków, do stacjonarnego i przenośnego ustawienia mokrego, do tłoczenia wody zanieczyszczonej i ścieków zawierających fekalia (w zakresie obowiązywania normy EN 12050-1). Korpus hydrauliczny i wirnik z żeliwa szarego, korpus silnika ze stali nierdzewnej. Uszczelnienie po stronie medium i po stronie silnika zapewniają dwa uszczelnienia mechaniczne niezależne od kierunku obrotów. Silnik chłodzony powierzchniowo w wersji na prąd jednofazowy ze zintegrowanym kondensatorem roboczym, uszczelnieniem komory i automatyczną termiczną kontrolą silnika. Rozłączny kabel zasilający z gniazdem wtykowym z zestykiem ochronnym.
Dane eksploatacyjne
*Wysokość podnoszenia maks.: 6,7 m
Dane produktu
*Rodzaj konstrukcji wirnika: Wirnik o swobodnym przepływie
*Swobodny przelot kuli w systemie hydraulicznym: 65 mm
*Maks. ciśnienie robocze: 0,7 bar
*Maks. głębokość zanurzenia: 7 m
*temperatura przetłaczanej cieczy: 3 oC
Dane silnika
*Konstrukcja silnika: Silnik zatapialny - chłodzony powierzchniowo
*Przyłącze sieciowe:
*Tolerancja napięcia:
*Współczynnik mocy: 0,99
*Znamionowa moc silnika: 1500
*Pobór mocy: 2150
*Prąd znamionowy: 9,3 A
*Prąd rozruchowy: 25 A
*Rodzaj załączania: Bezpośrednio online (DOL)
*Liczba biegunów:
*Znamionowa prędkość obrotowa: 1408 Obroty / min
*Maks. częstotliwość załączania: 60
*Klasa izolacji: F
*Stopień ochrony:
*Tryb pracy (zanurzony):
*Tryb pracy (wynurzony): S2-15 min S3-10%
Przewód
*Długość kabla zasilającego: 10 m
*Typ przewodu:
*Przekrój przewodu: 3G1 mm²
*Wtyczka sieciowa: Schuko
*Rodzaj kabla zasilającego: Odłączana
Wyposażenie/funkcja
*Wyłącznik pływakowy: nie
*Rozdrabniacz: nie
*Rodzaj ochrony przeciwwybuchowej:
*Zabezpieczenie silnika: Bimetal
*Monitorowanie wycieków silnika: nie
*Monitorowanie wycieków komory uszczelniającej: Opcjonalnie
*Monitorowanie wycieków komory przecieków: nie
Materiały
*Korpus pompy: EN-GJL-250
*Wirnik: EN-GJL-250
*Wał: Stal nierdzewna
*Materiał uszczelnienia po stronie pompy: QQPGG
*Materiał uszczelnienia po stronie silnika: BXPFF
*Materiał uszczelnienia:
*Materiał silnika: Stal nierdzewna
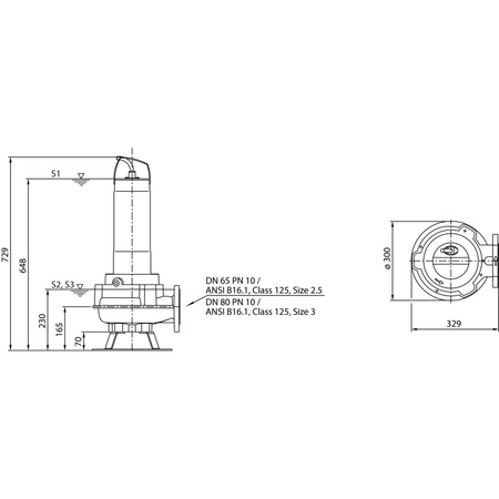
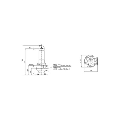
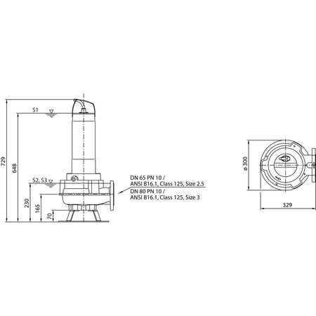
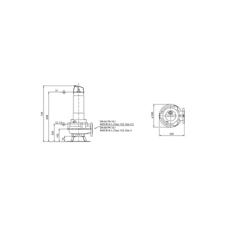
Wymiary montażowe
*Przyłącze gwintowane po stronie ssawnej: DN 65
*Przyłącze gwintowane po stronie tłocznej: DN 65/80
Informacje na temat umiejscowienia zamówień
*Produkt:
*Nazwa produktu: Rexa FIT V06DA-623/EAD0-4-M0015-523-P
*Masa netto ok.: 49 kg
*Numer artykułu: 6064712
Marka
Symbol
816064712
Rodzaj towaru
Pompy do wody użytkowej
EAN
4048482227535
Kod producenta
6064712
Prąd znamionowy [A]
9.3
Maks. średnica elementów stałych [mm]
65
Prędkość obrotowa [obr/min]
1408
Maksymalna wysokość podnoszenia [m]
6.684
Pobór mocy silnika (P1) [W]
2.15
Moc oddawana silnika (P2) [W]
1.5
Materiał obudowy silnika
Stal nierdzewna
Gatunek materiału obudowy silnika
Stal nierdzewna 304
Materiał korpusu pompy
Żeliwo
Gatunek materiału korpusu pompy
Żeliwo GG 25
Częstotliwość
50 Hz
Stopień ochrony (IP)
IP68
Klasa izolacji wg IEC
F
Podłączenie elektryczne
Przewód połączeniowy z wtyczką
Liczba faz
1
Zakres napięcia znamionowego [V]
230
Maks. ciśnienie robocze [bar]
0.7
Średnica zewnętrzna przyłącza od strony wylotowej [mm]
65
Maks. wydajność (maks. przepływ) [m³/h]
55
Przepływ nominalny (BEP) [m³/h]
23.4
Wysokość podnoszenia przy przepływie nominalnym (BEP) [kPa]
48.45
Głębokość zanurzenia [m]
7
Materiał wirnika
Żeliwo
Gatunek materiału wirnika
Żeliwo GG 25
Przyłącze po stronie wylotowej
Kołnierz
Średnica nominalna przyłącza od strony wylotowej
DN 65
Klasa ciśnienia kołnierza przyłącza wylotowego
PN 10
Kształt końcówki
Okrągły
Nominalny tryb pracy
S2 15 minut
Długość towaru w centymetrach
28.5
Wysokość towaru w centymetrach
75
Szerokość towaru w centymetrach
38.5
Strona www producenta
www.wilo.pl
Zapytaj o produkt
Napisz swoją opinię
















