Dodaj produkty podając kody
Dodaj plik CSV
Wpisz kody produktów, które chcesz zbiorczo dodać do koszyka (po przecinku, ze spacją lub od nowej linijki).
Powtórzenie wielokrotnie kodu, doda ten towar tyle razy ile razy występuje.
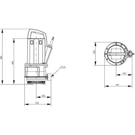
Całkowicie zanurzona pompa zatapialna do wody zanieczyszczonej, pionowe ustawienie mokre, do tłoczenia mediów o temperaturze maks. 95 oC. Agregat w całości z żeliwa szarego. Układ hydrauliczny z przyłączem po stronie tłocznej w formie poziomego, gwintowego połączenia kołnierzowego. Silnik chłodzony powierzchniowo w wersji na prąd trójfazowy z uszczelnieniem komory, termiczną kontrolą silnika oraz monitorowaniem wycieków z komory silnika. Odłączany, odporny na ciepło kabel zasilający z wodoszczelnym na całej długości wpustem na kabel i wolną końcówką kabla. Uszczelnienie po stronie medium i po stronie silnika zapewniają dwa uszczelnienia mechaniczne niezależne od kierunku obrotów.
Dane eksploatacyjne
Dane produktu
*Rodzaj konstrukcji wirnika: Otwarty wirnik wielokanałowy
*Swobodny przelot kuli w systemie hydraulicznym: 9 mm
*Maks. ciśnienie robocze: 1,8 bar
*Maks. głębokość zanurzenia: 7 m
*temperatura przetłaczanej cieczy: 3 oC
Dane silnika
*Przyłącze sieciowe:
*Tolerancja napięcia:
*Współczynnik mocy: 0,63
*Znamionowa moc silnika: 750
*Pobór mocy: 1040
*Prąd znamionowy: 2,4 A
*Prąd rozruchowy: 23 A
*Rodzaj załączania: Bezpośrednio online (DOL)
*Znamionowa prędkość obrotowa: 2931 Obroty / min
*Maks. częstotliwość załączania: 60
*Klasa izolacji: F
*Stopień ochrony:
*Tryb pracy (zanurzony):
*Tryb pracy (wynurzony):
Przewód
*Długość kabla zasilającego: 10 m
*Typ przewodu:
*Przekrój przewodu: 7G1,5 mm²
*Wtyczka sieciowa: nie
*Rodzaj kabla zasilającego: Odłączana
Wyposażenie/funkcja
*Wyłącznik pływakowy: nie
*Rodzaj ochrony przeciwwybuchowej:
*Zabezpieczenie silnika: Bimetal
Materiały
*Korpus pompy: EN-GJL-250
*Wirnik: EN-GJL-250
*Wał: Stal nierdzewna
*Materiał uszczelnienia po stronie pompy: QQPGG
*Materiał uszczelnienia po stronie silnika: BXPFF
*Materiał uszczelnienia:
*Materiał silnika: EN-GJL-250
Wymiary montażowe
*Przyłącze gwintowane po stronie ssawnej: -
*Przyłącze gwintowane po stronie tłocznej: G 1¼
Informacje na temat umiejscowienia zamówień
*Produkt:
*Nazwa produktu: Drain TMT 32M113/7,5Ci
*Masa netto ok.: 39 kg
*Numer artykułu: 6070087
Marka
Symbol
816070087
Rodzaj towaru
Pompy do wody użytkowej
EAN
4048482413112
Kod producenta
6070087
Prąd znamionowy [A]
2.5
Maks. średnica elementów stałych [mm]
9
Prędkość obrotowa [obr/min]
2927
Maksymalna wysokość podnoszenia [m]
15.67
Pobór mocy silnika (P1) [W]
1.1
Moc oddawana silnika (P2) [W]
0.75
Materiał obudowy silnika
Żeliwo
Gatunek materiału obudowy silnika
Żeliwo GG 25
Materiał korpusu pompy
Żeliwo
Gatunek materiału korpusu pompy
Żeliwo GG 25
Częstotliwość
50 Hz
Stopień ochrony (IP)
IP68
Klasa izolacji wg IEC
F
Podłączenie elektryczne
Przewód połączeniowy z wtyczką
Liczba faz
3
Zakres napięcia znamionowego [V]
400
Maks. ciśnienie robocze [bar]
1.8
Średnica zewnętrzna przyłącza od strony wylotowej [mm]
32
Maks. wydajność (maks. przepływ) [m³/h]
21.6
Przepływ nominalny (BEP) [m³/h]
11.7
Wysokość podnoszenia przy przepływie nominalnym (BEP) [kPa]
108.46
Głębokość zanurzenia [m]
7
Materiał wirnika
Żeliwo
Gatunek materiału wirnika
Żeliwo GG 25
Przyłącze po stronie wylotowej
Gwint zewnętrzny gazowy walcowy
Średnica nominalna przyłącza od strony wylotowej
1 1/4 cala
Klasa ciśnienia kołnierza przyłącza wylotowego
PN 10
Rodzaj przyłącza wylotowego
ISO 228-1
Kształt końcówki
Inne
Nominalny tryb pracy
S3 25%
Długość towaru w centymetrach
38.5
Wysokość towaru w centymetrach
75
Szerokość towaru w centymetrach
28.5
Strona www producenta
www.wilo.pl
Zapytaj o produkt
Napisz swoją opinię












