Dodaj produkty podając kody
Dodaj plik CSV
Wpisz kody produktów, które chcesz zbiorczo dodać do koszyka (po przecinku, ze spacją lub od nowej linijki).
Powtórzenie wielokrotnie kodu, doda ten towar tyle razy ile razy występuje.
Budowa:
*Jednostopniowa niskociśnieniowa pompa wirowa z niedzielonym wałem
*Korpus spiralny o konstrukcji Inline
*Kołnierze PN 16 - nawiercone zgodnie z EN 1092-2
*Przyłącza pomiarowe ciśnienia (R 1/8) do zamontowanego czujnika różnicy ciśnień (wersja ...-R1 bez czujnika różnicy ciśnień)
*Korpus pompy i kołnierz silnika standardowo z powłoką kataforetyczną
*Uszczelnienie mechaniczne do tłoczenia wody o temp. max. do 120oC. Do Tmax. = +40oC dopuszczalna jest domieszka glikolu wyn. od 20 do 40% pojemności. Inne uszczelnienia mechaniczne lub inne przetłaczane media/temperatury na zapytanie.
Wyposażenie dodatkowe:
*Konsole do mocowania na fundamencie
*IR-Monitor
*IR-Stick
*IF-Moduł PLR
*IF-Moduł LON
*IF-Moduł Modbus
*IF-Moduł BACnet
*IF-Moduł CAN
*Systemy regulacyjne VR-HVAC/CCe-HVAC/SCe-HVAC
*Zestawy czujników różnicy ciśnień (DDG) 0-10 V do pomp w wersji ...-R1
Wyposażenie seryjne:
*Moduł obsługi ręcznej za pomocą jednego przycisku z następującymi funkcjami:
**Pompa wł./wył.
**Ustawienie wartości zadanej lub prędkości obrotowej
**Wybór rodzaju regulacji: Δp-c (stała różnica ciśnień), Δp-v (zmienna różnica ciśnień), regulator PID, n-constant (tryb regulacji ręcznej)
**Wybór rodzaju pracy w przypadku pracy pompy podwójnej (praca/rezerwa, praca z dołączeniem)
**Konfiguracja parametrów roboczych
**Potwierdzenie błędu
*Wyświetlacz pompy wskazujący:
**Rodzaj regulacji
**Wartość zadaną (np. różnicy ciśnień lub prędkości obrotowej)
**Komunikaty o błędach i komunikaty ostrzegawcze
**Wartości rzeczywiste (np. poboru mocy, wartości rzeczywistej czujnika)
**Dane robocze (np. godziny pracy, zużycie energii)
**Dane dotyczące stanu (np. stan przekaźnika SSM i SBM)
**Dane urządzenia (np. nazwa pompy)
Funkcje dodatkowe:
*Interfejsy: Wejście sterujące „Wyłączanie z priorytetem”, „Zewnętrzna zamiana pomp” (działa tylko w trybie dwupompowym), wejście analogowe 0-10 V, 2-10 V, 0-20 mA, 4-20 mA dla trybu sterowania (DDC) lub do zdalnej regulacji wartości zadanej, wejście analogowe 0-10 V, 2-10 V, 0-20 mA, 4-20 mA dla sygnału wartości rzeczywistej czujnika ciśnienia, złącze na podczerwień do komunikacji bezprzewodowej za pomocą urządzenia do obsługi i serwisu Wilo-IR-Stick/IR-Monitor, gniazdo do IF-Modułów Wilo Modbus, BACnet, CAN, PLR, LON do podłączenia do automatyki budynku, konfigurowana, bezpotencjałowa sygnalizacja awarii i pracy/stanu gotowości, interfejs do komunikacji między pompami podwójnymi
*Możliwość ustawienia częstotliwości zamiany pomp (w dwupompowym trybie pracy)
*Zintegrowane pełne zabezpieczenie silnika
*Różne rodzaje pracy do zastosowania w instalacjach grzewczych (HV) lub klimatyzacyjnych (AC)
*Blokada dostępu
*Różne poziomy obsługi ręcznej: Standard/serwis
Dane eksploatacyjne
*temperatura przetłaczanej cieczy: -20 oC
*temperatura otoczenia: 0 oC
*Maks. ciśnienie robocze: 10 bar
*Wskaźnik minimalnej energochłonności (MEI): 0,4
Dane silnika
*Klasa sprawności energetycznej silnika:
*Generowanie zakłóceń:
*Odporność na zakłócenia:
*Przyłącze sieciowe: 3~380 V, 50/60 Hz 3~400 V, 50/60 Hz 3~440 V, 50/60 Hz
*Moc znamionowa : 550
*Prędkość obrotowa maks.: 2900 Obroty / min
*Prąd znamionowy: 1,5 A
*Klasa izolacji: F
*Stopień ochrony silnika:
*Zabezpieczenie silnika:
Materiały
*Korpus pompy: EN-GJL-250
*Wirnik:
*Wał: Stal nierdzewna
*Uszczelnienie wału: AQ1EGG
*Latarnia: EN-GJL-250
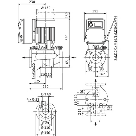
Wymiary montażowe
*Przyłącze gwintowane po stronie ssawnej: DN 40
*Przyłącze gwintowane po stronie tłocznej: DN 40
*Długość montażowa: 250 mm
Informacje na temat umiejscowienia zamówień
*Produkt:
*Nazwa produktu: VeroLine-IP-E 40/115-0,55/2
*Masa netto ok.: 25,1 kg
*Numer artykułu: 2158815
Marka
Symbol
812158815
Rodzaj towaru
Pompy do wody użytkowej
EAN
4048482603391
Kod producenta
2158815
Prąd znamionowy [A]
1.7
Długość wbudowania [mm]
250
Moc oddawana silnika (P2) [kW]
0.55
Prędkość obrotowa [obr/min]
2900
Częstotliwość
50/60 Hz
Stopień ochrony (IP)
IP55
Klasa izolacji wg IEC
F
Liczba faz
3
Temperatura otoczenia [°C]
40
Zakres napięcia znamionowego [V]
400
Maks. ciśnienie robocze [bar]
10
Średnica zewnętrzna przyłącza od strony wylotowej [mm]
40
Maks. wydajność (maks. przepływ) [m³/h]
21
Maks. wysokość podnoszenia [m]
12.44
Przepływ nominalny (BEP) [m³/h]
13.72
Wskaźnik minimalnej sprawności (MEI)
0.4
Silnik standardowy
1
Materiał korpusu pompy
Żeliwo
Gatunek materiału korpusu pompy
Żeliwo GG 25
Materiał wirnika
Polipropylen
Gatunek materiału wirnika
PP-GF
Przyłącze od strony wlotowej
Kołnierz
Średnica nominalna przyłącza od strony wlotowej
DN 40
Klasa ciśnienia kołnierza przyłącza wlotowego
PN 10
Rodzaj przyłącza wlotowego
EN 1092-2
Przyłącze po stronie wylotowej
Kołnierz
Średnica nominalna przyłącza od strony wylotowej
DN 40
Klasa ciśnienia kołnierza przyłącza wylotowego
PN 10
Rodzaj przyłącza wylotowego
EN 1092-2
Kształt końcówki
Okrągły
Klasa efektywności energetycznej silnika
IE4
Długość towaru w centymetrach
31.4
Wysokość towaru w centymetrach
38.5
Szerokość towaru w centymetrach
52.6
Strona www producenta
www.wilo.pl
Zapytaj o produkt
Napisz swoją opinię












