Dodaj produkty podając kody
Dodaj plik CSV
Wpisz kody produktów, które chcesz zbiorczo dodać do koszyka (po przecinku, ze spacją lub od nowej linijki).
Powtórzenie wielokrotnie kodu, doda ten towar tyle razy ile razy występuje.
Marka
Symbol
812217959
Rodzaj towaru
Pompy i grupy pompowe do c.o. i c.w.u.
EAN
4062679195384
Kod producenta
2217959
Prąd znamionowy [A]
1.91
Wskaźnik efektywności energetycznej (EEI)
0.17
Pobór mocy silnika (P1) [W]
0.44
Pobór mocy przez pompę (solpump) [W]
440
Pobór mocy przez pompę w trybie czuwania (solstandbypump) [W]
10
Materiał wirnika
Polipropylen
Częstotliwość
50/60 Hz
Stopień ochrony (IP)
IPX4D
Klasa izolacji wg IEC
F
Regulacja obrotów silnika
Wbudowany
Liczba faz
1
Zakres napięcia znamionowego [V]
230
Standard komunikacji bezprzewodowej Bluetooth
1
Bezpotencjałowy zestyk przełączający
1
Maks. ciśnienie robocze [bar]
10
Obsługa protokołu RS-485
1
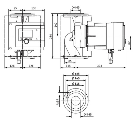
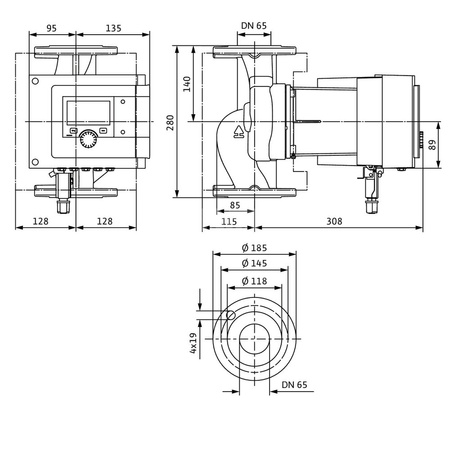
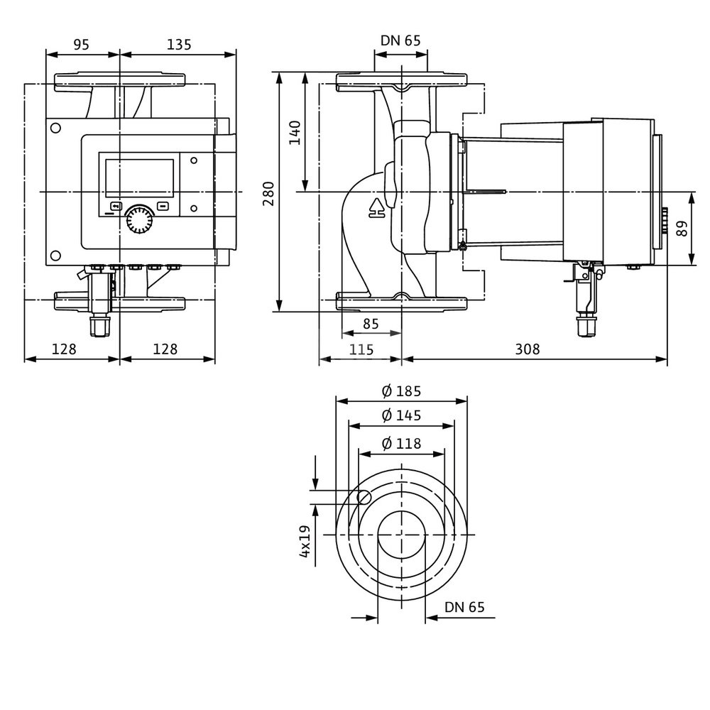
Średnica zewnętrzna przyłącza od strony wylotowej [mm]
65
Maks. wydajność (maks. przepływ) [m³/h]
35
Maks. wysokość podnoszenia [m]
6.728
Przepływ nominalny (BEP) [m³/h]
18.05
Wysokość podnoszenia przy przepływie nominalnym (BEP) [kPa]
45.5
Sygnał interfejsu 0-10 V / 2-10 V
1
Sygnał interfejsu 0-20 mA / 4-20 mA
1
Interfejs PT100 / PT1000 / PTC
1
Materiał korpusu pompy
Żeliwo
Gatunek materiału korpusu pompy
Żeliwo GG 25
Gatunek materiału wirnika
PP-GF
Przyłącze od strony wlotowej
Kołnierz
Średnica nominalna przyłącza od strony wlotowej
DN 65
Klasa ciśnienia kołnierza przyłącza wlotowego
PN 6
Rodzaj przyłącza wlotowego
EN 1092-2
Przyłącze po stronie wylotowej
Kołnierz
Średnica nominalna przyłącza od strony wylotowej
DN 65
Klasa ciśnienia kołnierza przyłącza wylotowego
PN 6
Rodzaj przyłącza wylotowego
EN 1092-2
Kształt końcówki
Okrągły
Strona www producenta
www.wilo.pl
Zapytaj o produkt
Napisz swoją opinię












