Dodaj produkty podając kody
Dodaj plik CSV
Wpisz kody produktów, które chcesz zbiorczo dodać do koszyka (po przecinku, ze spacją lub od nowej linijki).
Powtórzenie wielokrotnie kodu, doda ten towar tyle razy ile razy występuje.
Pompa obiegowa Wilo-CronoBloc BL-E 100/200-5,5/4-R1 elektronicznie regulowana pompa dławnicowa o konstrukcji typu Inline z przyłączem kołnierzowym i automatycznym dopasowaniem wydajności. Bez czujnika różnicy ciśnień.
Jednostopniowa, dławnicowa pompa wirowa o konstrukcji blokowej do ustawienia na fundamencie, z wbudowaną przetwornicą częstotliwości do regulacji elektronicznej m.in. wg stałej lub zmiennej różnicy ciśnień (Δp-c/ Δp-v). Pompa CronoBloc-BL-E jest przede wszystkim przeznaczona do tłoczenia wody grzewczej (zgodnie z VDI 2035), wody zimnej i mieszanin woda-glikol niezawierających substancji powodujących abrazję, w instalacjach grzewczych, klimatyzacyjnych i chłodniczych.
*Konstrukcja
*Jednostopniowa, niskociśnieniowa pompa wirowa
*Korpus spiralny o konstrukcji blokowej, kołnierz i korpus o wymiarach zgodnych z normą DIN EN 733, kołnierze PN 16 - wg EN 1092-2
*Odporna na drgania, zapewniająca cichą pracę konstrukcja blokowa z latarnią i sztywno połączonym silnikiem standardowym (silnik znormalizowany)
*Korpus pompy i latarnia standardowo z powłoką kataforetyczną
*W pompach z silnikiem o mocy do 4 kW dostępny jest przykręcany stojak, silniki o mocy od 5,5 kW mają przykręcane nóżki
*Działające niezależnie od kierunku obrotów mieszkowe uszczelnienie mechaniczne z wymuszonym opływem oraz wirnik redukujący kawitację
*Uszczelnienie mechaniczne do tłoczenia wody o max. temp. 140oC; do Tmax. = +40oC dopuszczalna jest domieszka glikolu wyn. od 20 do 40% objętości
*Wyposażenie standardowe
Wyświetlacz pompy wskazujący:
*Rodzaj regulacji Δp-c (stała różnica ciśnień), Δp-v (zmienna różnica ciśnień), kontroler PID, n-constant (tryb sterowania)
*Wartość zadaną (np. różnicy ciśnień lub prędkości obrotowej)
*Komunikaty o błędach i komunikaty ostrzegawcze
*Wartości rzeczywiste (np. poboru mocy, wartości rzeczywistej czujnika)
*Dane robocze (np. godziny pracy, zużycie energii)
*Dane dotyczące stanu (np. stan przekaźnika SSM i SBM)
*Dane urządzenia (np. nazwa pompy)
*Tryb pracy (tylko w zastosowaniu z trójnikiem rurowym: Tryb podstawowy/rezerwowy, tryb równoległy)
*Moduł obsługi ręcznej za pomocą jednego przycisku z następującymi funkcjami:
*Pompa wł./wył.
*Ustawienie wartości zadanej lub prędkości obrotowej
*Wybór rodzaju pracy i regulacji
*Konfiguracja parametrów roboczych
*Potwierdzenie błędu
*Funkcje dodatkowe
*Interfejsy: Wejście sterujące „Wyłączanie z priorytetem”, wejście analogowe 0-10 V, 2-10 V, 0-20 mA, 4-20 mA do trybu sterowania DDC) lub do zdalnej regulacji wartości zadanej, złącze na podczerwień do komunikacji bezprzewodowej za pomocą urządzenia kontrolno-serwisowego Wilo-IR-Monitor/IR-Stick, gniazdo na IF-Moduły Wilo do podłączenia do automatyki budynku, konfigurowana, bezpotencjałowa sygnalizacja awarii i pracy/stanu gotowości
*Silnik indukcyjny trójfazowy z przetwornicą częstotliwości
*Zintegrowany system zarządzania pracą pomp podwójnych
*Zintegrowane pełne zabezpieczenie silnika (czujnik termistorowy) z wyzwalaczem elektronicznym
*Dostępne w wersji standardowej otwory do odprowadzania kondensatu z powierzchni korpusu silnika (zamknięte w momencie dostawy)
*Różne rodzaje pracy do zastosowania w instalacjach grzewczych (HV) lub klimatyzacyjnych (AC)
*Możliwość aktywacji blokady dostępu do pompy
*Różne poziomy obsługi ręcznej: Standard/serwis
*Wyposażenie dodatkowe
*Bloki podkładowe do mocowania fundamentu
*IR-Monitor
*IR-Stick
*IF-Moduł PLR
*IF-Moduł LON
*IF-Moduł Modbus
*IF-Moduł BACnet
*IF-Moduł CAN
*Systemy regulacyjne VR-HVAC/CCe-HVAC/SCe-HVAC
*Zestawy czujników różnicy ciśnień (DDG) 0-10 V do pomp w wersji ...-R1
Dane eksploatacyjne
*temperatura przetłaczanej cieczy: -20 oC
*temperatura otoczenia: 0 oC
*Maks. ciśnienie robocze: 16 bar
*: 16 bar do 120oC, 13 bar do 140oC
*Wskaźnik minimalnej energochłonności (MEI): 0,4
Dane silnika
*Klasa sprawności energetycznej silnika:
*Generowanie zakłóceń:
*Odporność na zakłócenia:
*Przyłącze sieciowe: 3~380 V, 50/60 Hz 3~400 V, 50/60 Hz 3~440 V, 50/60 Hz
*Moc znamionowa : 5500
*Prędkość obrotowa maks.: 1450 Obroty / min
*Prąd znamionowy: 10,2 A
*Klasa izolacji: F
*Stopień ochrony silnika:
*Zabezpieczenie silnika:
Materiały
*Korpus pompy: 5.1301, KTL-beschichtet
*Wirnik:
*Wał: Stal nierdzewna
*Uszczelnienie wału: AQ1EGG
*Latarnia: EN-GJL-250
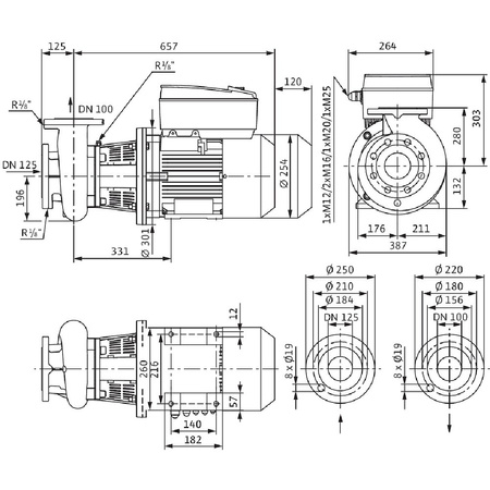
Wymiary montażowe
*Przyłącze gwintowane po stronie ssawnej: DN 125
*Przyłącze gwintowane po stronie tłocznej: DN 100
Informacje na temat umiejscowienia zamówień
*Produkt:
*Nazwa produktu: CronoBloc-BL-E 100/200-5,5/4-R1
*Masa netto ok.: 149,5 kg
*Numer artykułu: 2191450
Marka
Symbol
812191450
Rodzaj towaru
Pompy do wody użytkowej
EAN
4048482786889
Kod producenta
2191450
Prąd znamionowy [A]
10
Moc oddawana silnika (P2) [kW]
5.5
Prędkość obrotowa [obr/min]
1450
Wysokość części zasysającej [mm]
132
Wysokość części tłoczącej [mm]
264
Odległość między osiami przyłącza ssawnego/tłocznego [mm]
125
Długość pompy [mm]
782
Rodzaj napędu
Elektryczny
Częstotliwość
50/60 Hz
Stopień ochrony (IP)
IP55
Klasa izolacji wg IEC
F
Liczba faz
3
Temperatura otoczenia [°C]
40
Zakres napięcia znamionowego [V]
400
Maks. ciśnienie robocze [bar]
16
Średnica zewnętrzna przyłącza od strony wylotowej [mm]
100
Maks. wydajność (maks. przepływ) [m³/h]
225.4
Maks. wysokość podnoszenia [m]
11.73
Przepływ nominalny (BEP) [m³/h]
155.4
Wskaźnik minimalnej sprawności (MEI)
0.4
Silnik standardowy
1
Materiał korpusu pompy
Żeliwo
Gatunek materiału korpusu pompy
Żeliwo GG 25
Materiał wirnika
Żeliwo
Gatunek materiału wirnika
Żeliwo GG 20
Przyłącze od strony wlotowej
Kołnierz
Średnica nominalna przyłącza od strony wlotowej
DN 125
Klasa ciśnienia kołnierza przyłącza wlotowego
PN 16
Rodzaj przyłącza wlotowego
EN 1092-2
Przyłącze po stronie wylotowej
Kołnierz
Średnica nominalna przyłącza od strony wylotowej
DN 100
Klasa ciśnienia kołnierza przyłącza wylotowego
PN 16
Rodzaj przyłącza wylotowego
EN 1092-2
Kształt końcówki
Okrągły
Klasa efektywności energetycznej silnika
IE4
Długość towaru w centymetrach
80
Wysokość towaru w centymetrach
64.3
Szerokość towaru w centymetrach
120
Strona www producenta
www.wilo.pl
Zapytaj o produkt
Napisz swoją opinię












