Dodaj produkty podając kody
Dodaj plik CSV
Wpisz kody produktów, które chcesz zbiorczo dodać do koszyka (po przecinku, ze spacją lub od nowej linijki).
Powtórzenie wielokrotnie kodu, doda ten towar tyle razy ile razy występuje.
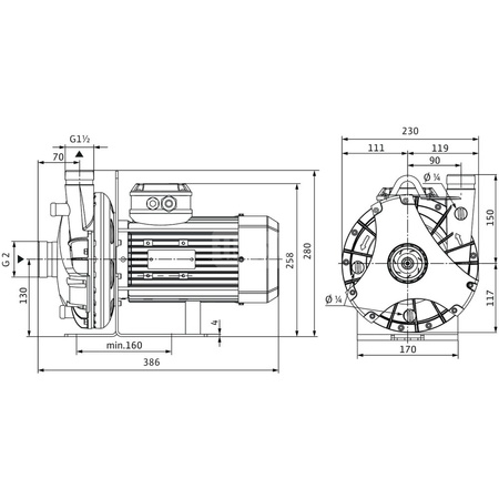
Pompa obiegowa Wilo-BAC 40-126-1.5_80/2-DM/S-2-IE3, dławnicowa o konstrukcji blokowej z przyłączem gwintowanym. Zmniejszenie kosztów cyklu życia pompy dzięki optymalizacji sprawności. Korpus pompy wykonany z tworzywa sztucznego.
Dane eksploatacyjne
*temperatura przetłaczanej cieczy: -15 oC
*temperatura otoczenia: -15 oC
*Maks. ciśnienie robocze: 6,5 bar
*Wskaźnik minimalnej energochłonności (MEI): 0,4
Dane silnika
*Klasa sprawności energetycznej silnika:
*Przyłącze sieciowe:
*Tolerancja napięcia:
*Moc znamionowa : 1500
*Znamionowa prędkość obrotowa: 2855 Obroty / min
*Prąd znamionowy: 3,22 A
*Współczynnik mocy: 0,84
*Sprawność silnika ηm 50 %: 82,9
*Sprawność silnika ηm 75 %: 84,2
*Sprawność silnika ηm 100 %: 84,2
*Klasa izolacji: F
*Stopień ochrony:
Materiały
*Korpus pompy:
*Wirnik:
*Wał: Stal nierdzewna
*Uszczelnienie wału: BVEGG
*Latarnia: Aluminium
Wymiary montażowe
*Przyłącze gwintowane po stronie ssawnej: G 2
*Przyłącze gwintowane po stronie tłocznej: G 11/2
Informacje na temat umiejscowienia zamówień
*Produkt:
*Nazwa produktu: BAC 40-126/1.5/2-DM/S-2
*Masa netto ok.: 14,4 kg
*Numer artykułu: 4213188
Marka
Symbol
814213188
Rodzaj towaru
Pompy do wody użytkowej
EAN
4048482707488
Kod producenta
4213188
Prąd znamionowy [A]
3.22
Moc oddawana silnika (P2) [kW]
1.5
Prędkość obrotowa [obr/min]
2855
Wysokość części zasysającej [mm]
258
Wysokość części tłoczącej [mm]
280
Długość pompy [mm]
386
Rodzaj napędu
Elektryczny
Częstotliwość
50 Hz
Stopień ochrony (IP)
IP55
Klasa izolacji wg IEC
F
Liczba faz
3
Zakres napięcia znamionowego [V]
400
Maks. ciśnienie robocze [bar]
6.5
Średnica zewnętrzna przyłącza od strony wylotowej [mm]
40
Maks. wydajność (maks. przepływ) [m³/h]
34
Maks. wysokość podnoszenia [m]
20.91
Przepływ nominalny (BEP) [m³/h]
19.34
Wysokość podnoszenia przy przepływie nominalnym (BEP) [kPa]
176.32
Wskaźnik minimalnej sprawności (MEI)
0.4
Silnik standardowy
1
Materiał korpusu pompy
Tworzywo sztuczne wzmocnione włóknem
Gatunek materiału korpusu pompy
PP-GF
Materiał wirnika
Inne
Gatunek materiału wirnika
PP-GF
Przyłącze od strony wlotowej
Gwint zewnętrzny gazowy walcowy
Średnica nominalna przyłącza od strony wlotowej
2 cale
Klasa ciśnienia kołnierza przyłącza wlotowego
PN 10
Rodzaj przyłącza wlotowego
ISO 228-1
Przyłącze po stronie wylotowej
Gwint zewnętrzny gazowy walcowy
Średnica nominalna przyłącza od strony wylotowej
1 1/2 cala
Klasa ciśnienia kołnierza przyłącza wylotowego
PN 10
Rodzaj przyłącza wylotowego
ISO 228-1
Kształt końcówki
Okrągły
Klasa efektywności energetycznej silnika
IE3
Długość towaru w centymetrach
38
Wysokość towaru w centymetrach
30
Szerokość towaru w centymetrach
55
Strona www producenta
www.wilo.pl
Zapytaj o produkt
Napisz swoją opinię












