Dodaj produkty podając kody
Dodaj plik CSV
Wpisz kody produktów, które chcesz zbiorczo dodać do koszyka (po przecinku, ze spacją lub od nowej linijki).
Powtórzenie wielokrotnie kodu, doda ten towar tyle razy ile razy występuje.
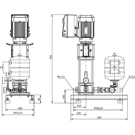
Kompaktowe urządzenie do podnoszenia ciśnienia, do podłączenia pośredniego lub bezpośredniego. Składa się z normalnie zasysających, pionowych wysokociśnieniowych pomp wirowych ze stali nierdzewnej w wykonaniu dławnicowym, przy czym każda pompa jest wyposażona w przetwornicę częstotliwości. Gotowe do podłączenia z orurowaniem ze stali nierdzewnej, zamontowane na ramie głównej, z urządzeniem sterującym/regulacyjnym.
Do w pełni zautomatyzowanego zaopatrzenia w wodę i podwyższania ciśnienia w budynkach mieszkalnych, biurowych i administracyjnych, hotelach, szpitalach, domach handlowych (według norm DIN 1988 i DIN EN 806 należy stosować do tego celu instalacje z pompą rezerwową) oraz instalacjach przemysłowych.
Tłoczenie wody użytkowej, wody przemysłowej, wody chłodzącej, wody gaśniczej (z wyjątkiem instalacji przeciwpożarowych zgodnie z normą DIN 14462 oraz z pozwoleniem wydanym przez lokalne urzędy ds. ochrony przeciwpożarowej) lub innych rodzajów wody wykorzystywanej do konsumpcji, które nie są agresywne chemicznie lub mechanicznie dla materiałów i nie zawierają składników powodujących abrazję lub długowłóknistych.
*Cechy szczególne/zalety produktu
*Trwałe urządzenie z wysokociśnieniowymi pompami wirowymi ze stali nierdzewnej typoszeregu Helix VE, z zabudowaną przetwornicą częstotliwości, chłodzoną powietrzem
*Wysokosprawna hydraulika pompy w połączeniu z silnikami znormalizowanymi klasy IE4
*Ponadprzeciętnie szeroki zakres regulacji przetwornicy częstotliwości od 25 Hz do maks. 60 Hz (w zależności od wersji)
*Zintegrowane, pełne zabezpieczenie silnika przez PTC
*Zintegrowane wykrywanie pracy na sucho z automatycznym wyłączaniem w przypadku suchobiegu wykorzystujące pola charakterystyk mocy silnika zaprogramowane w elektronice sterującej silnika
*Indywidualne wykonania urządzeń na zapytanie
*Wyposażenie/funkcja
*1 pompa typoszeregu Helix VE 2 do Helix VE 52 z silnikiem odpowiadającym normom IE4 i bezstopniową regulacją pracy przez zintegrowaną przetwornicę częstotliwości
*Rama główna ze stali ocynkowanej z amortyzatorami drgań o regulowanej wysokości do izolacji dźwięków
*Części mające kontakt z medium są odporne na korozję.
*Orurowanie ze stali nierdzewnej
Po stronie tłocznej:
*Zawór odcinający
*Zabezpieczenie przed przepływem zwrotnym
*Membranowy zbiornik ciśnieniowy 8 l, PN 16
*Czujnik ciśnienia 4..20 mA
*Manometr
Po stronie ssawnej:
*Czujnik ciśnienia 4..20 mA
*Manometr
*Montaż na ocynkowanej ramie głównej z amortyzatorami drgań o regulowanej wysokości, z ciśnieniowym naczyniem przeponowym (pojemność 8 l) z armaturą przelotową zgodnie z DIN 4807 i zabudowanym zaworem zwrotnym, czujniki ciśnienia (4 - 20 mA) i manometr do automatycznej regulacji systemu przy funkcji p = stała lub p=zmienna. Wartość zadana wysokości podnoszenia - nastawa bezstopniowo przyciskiem na przetwornicy częstotliwości. Automatyczne rozpoznanie ilości zerowych i wyłączenie. Zabudowane zabezpieczenie silnika poprzez elektroniczną kontrolę wartości prądu.
Z wyświetlaczem LCD do wskazywania statusu i ciśnienia rzeczywistego, obsługa za pomocą przycisku do konfiguracji poziomu ciśnienia oraz standardowych ustawień wartości zadanej oraz z stykami bezpotencjałowymi do zbiorczej sygnalizacji pracy i zakłóceń.
Okablowany i gotowy do podłączenia, wyposażony w armaturę odcinającą, zamontowany po stronie tłocznej na ramie głównej.
Dane eksploatacyjne
*Liczba pomp:
*temperatura przetłaczanej cieczy: 3 oC
*temperatura otoczenia: 5 oC
*Maks. ciśnienie robocze: 16 bar
*Ciśnienie na dopływie: 6 bar
Dane silnika
*Przyłącze sieciowe:
*Znamionowa moc silnika: 1100
*Prąd znamionowy: 2,6 A
*Znamionowa prędkość obrotowa: 3500 Obroty / min
*Klasa izolacji: F
*Stopień ochrony silnika:
Materiały
*Korpus pompy: Stal nierdzewna
*Wirnik: Stal nierdzewna
*Wał: Stal nierdzewna
*Uszczelnienie wału: Q1BE3GG
*Materiał uszczelnienia:
*Materiał orurowania: Stal nierdzewna
Wymiary montażowe
*Przyłącze gwintowane po stronie ssawnej: Rp 1¼
*Przyłącze gwintowane po stronie tłocznej: R 1¼
Informacje na temat umiejscowienia zamówień
*Produkt:
*Nazwa produktu: SiBoost Smart 1 HELIX VE603
*Masa netto ok.: 43 kg
*Numer artykułu: 2537628
Marka
Symbol
812537628
Rodzaj towaru
Pompy do wody użytkowej
EAN
4048482264226
Kod producenta
2537628
Szerokość [mm]
340
Wysokość [mm]
706
Długość [mm]
680
Minimalna temperatura medium (ciągła) [°C]
3
Maksymalna temperatura medium (ciągła) [°C]
50
Średnica zewnętrzna, wszystkie przyłącza [mm]
32
Prędkość obrotowa [obr/min]
3500
Maksymalna temperatura otoczenia [°C]
40
Liczba pomp
1
Prąd znamionowy na pompę [A]
2.6
Materiał korpusu pompy
Stal nierdzewna
Gatunek materiału korpusu pompy
Stal nierdzewna 304
Nominalna średnica wewnętrzna, wszystkie przyłącza
1 1/4 cala
Rodzaj połączenia
Gwint zewnętrzny gazowy walcowy
Klasa ciśnienia kołnierza
PN 16
Klasa ciśnienia urządzenia
PN 16
Napięcie łączeniowe
3 x 400 V
Częstotliwość
50/60 Hz
Pobór mocy silnika (P1) na pompę [kW]
1420
Moc oddawana silnika (P2) na pompę [kW]
1100
Stopień ochrony pompy (IP)
IP55
Klasa izolacji wg IEC
F
Regulacja obrotów silnika
Wbudowany
Długość towaru w centymetrach
80
Wysokość towaru w centymetrach
93.4
Szerokość towaru w centymetrach
120
Strona www producenta
www.wilo.pl
Zapytaj o produkt
Napisz swoją opinię












