Dodaj produkty podając kody
Dodaj plik CSV
Wpisz kody produktów, które chcesz zbiorczo dodać do koszyka (po przecinku, ze spacją lub od nowej linijki).
Powtórzenie wielokrotnie kodu, doda ten towar tyle razy ile razy występuje.
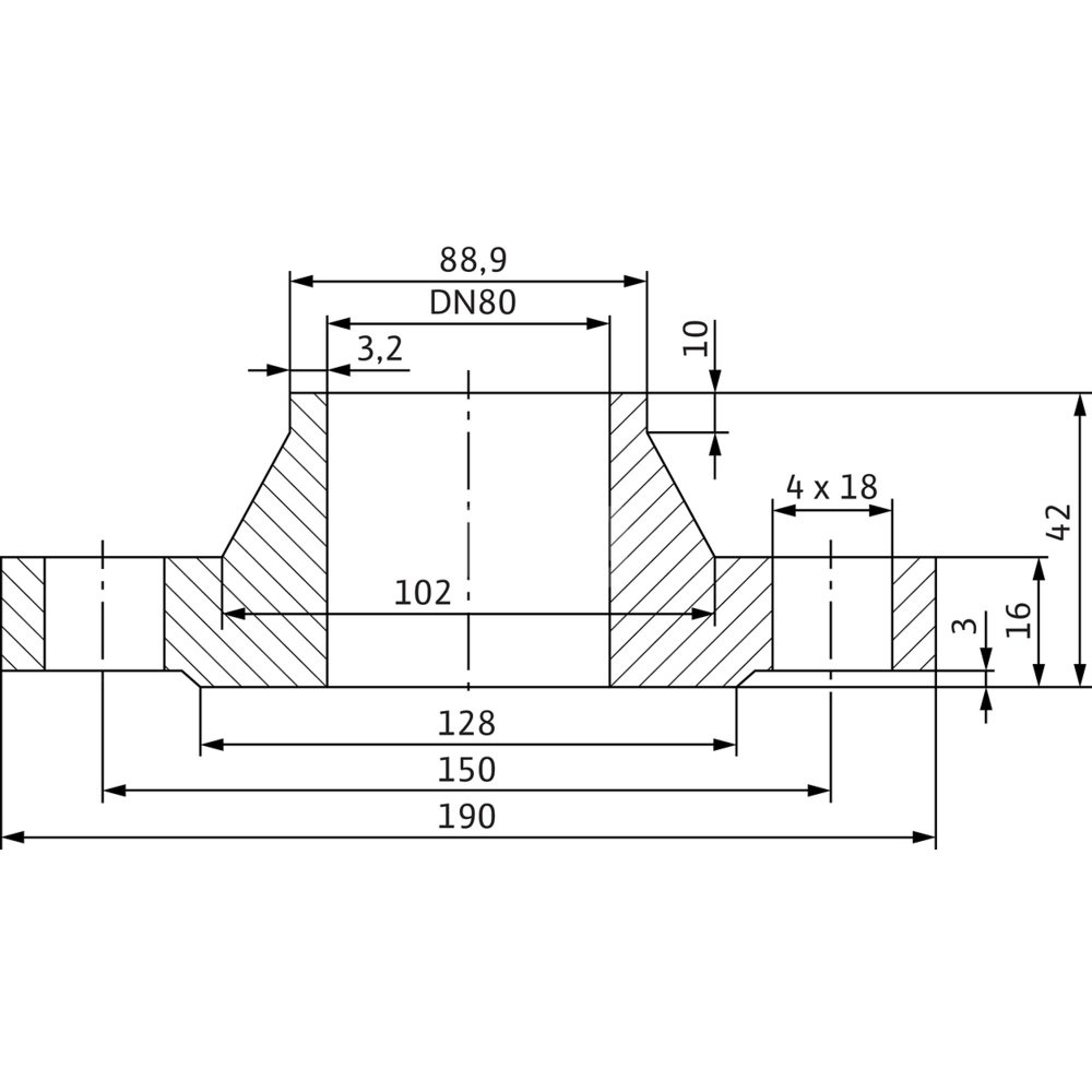
Dane techniczne
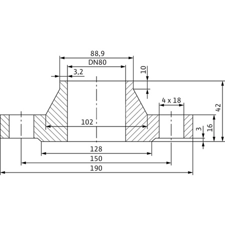
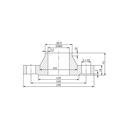
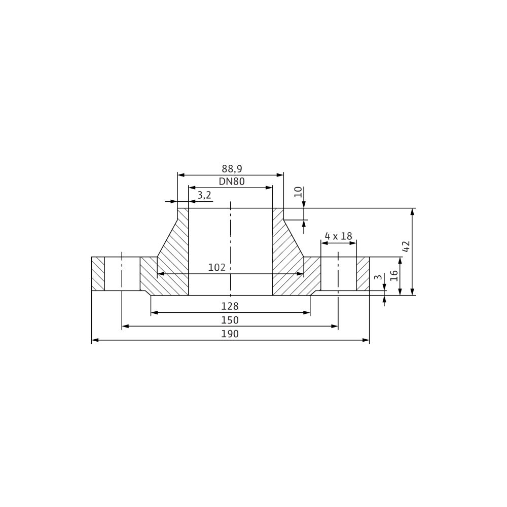
*Przyłącze wejścia: DN 80
*Przyłącze wyjścia: DN 80
*Ciśnienie nominalne:
*Materiał : Stal nierdzewna
*Masa: 6 kg
*Produkt:
*Nr art.: 2105584
Marka
Symbol
812105584
Rodzaj towaru
Pompy do wody użytkowej
EAN
4048482089492
Kod producenta
2105584
Szerokość [mm]
190
Długość [mm]
190
Rodzaj akcesorium
Zestaw przeciwkołnierzy
Materiał
Stal nierdzewna
Nominalna średnica wewnętrzna przyłącza pompy
DN 80
Nominalna średnica wewnętrzna rury łączeniowej
DN 80
Długość towaru w centymetrach
22.5
Wysokość towaru w centymetrach
16
Szerokość towaru w centymetrach
22.5
Strona www producenta
www.wilo.pl
Zapytaj o produkt
Napisz swoją opinię












