Dodaj produkty podając kody
Dodaj plik CSV
Wpisz kody produktów, które chcesz zbiorczo dodać do koszyka (po przecinku, ze spacją lub od nowej linijki).
Powtórzenie wielokrotnie kodu, doda ten towar tyle razy ile razy występuje.
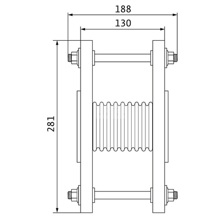
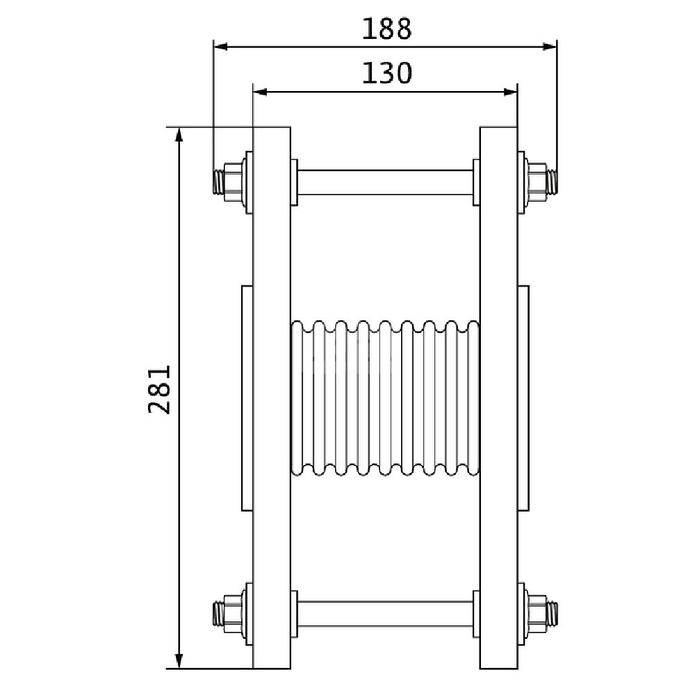
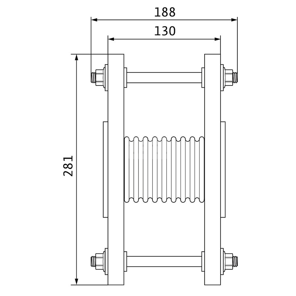
Kołnierze nie mają bezpośredniej styczności z przetłaczanym medium
Dane techniczne
*Przyłącze wejścia: DN 80
*Przyłącze wyjścia: DN 80
*Ciśnienie nominalne:
*Maks. temperatura przetłaczanej cieczy: 120 oC
*Rozszerzanie, na boki: 15 mm
*Materiał : Stal nierdzewna
*Masa: 10,2 kg
*Produkt:
*Nr art.: 2514243
Marka
Symbol
812514243
Rodzaj towaru
Pompy do wody użytkowej
EAN
4016322443568
Kod producenta
2514243
Szerokość [mm]
200
Długość [mm]
188
Rodzaj akcesorium
Kompensator
Materiał
Stal nierdzewna
Nominalna średnica wewnętrzna przyłącza pompy
DN 80
Nominalna średnica wewnętrzna rury łączeniowej
DN 80
Długość towaru w centymetrach
20
Wysokość towaru w centymetrach
28.1
Szerokość towaru w centymetrach
18.8
Strona www producenta
www.wilo.pl
Zapytaj o produkt
Napisz swoją opinię












