Dodaj produkty podając kody
Dodaj plik CSV
Wpisz kody produktów, które chcesz zbiorczo dodać do koszyka (po przecinku, ze spacją lub od nowej linijki).
Powtórzenie wielokrotnie kodu, doda ten towar tyle razy ile razy występuje.
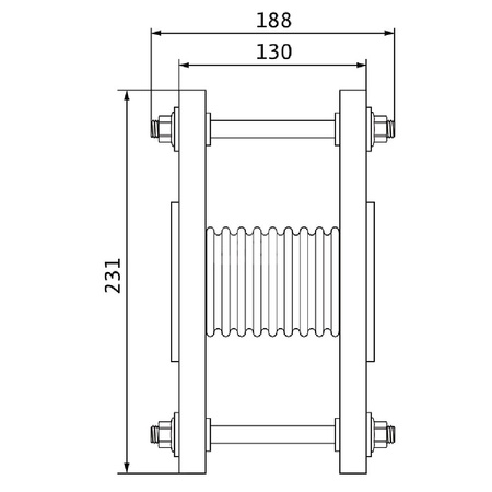
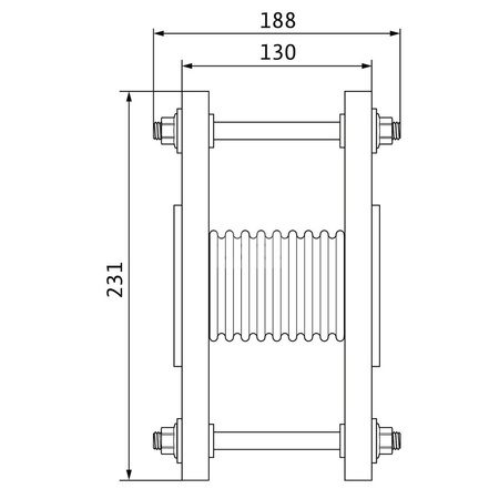
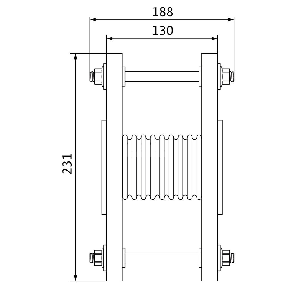
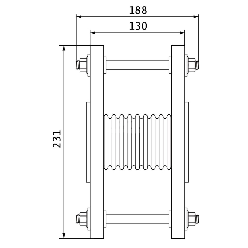
Kołnierze nie mają bezpośredniej styczności z przetłaczanym medium
Dane techniczne
*Przyłącze wejścia: DN 40
*Przyłącze wyjścia: DN 40
*Ciśnienie nominalne:
*Maks. temperatura przetłaczanej cieczy: 120 oC
*Rozszerzanie, na boki: 15 mm
*Materiał : Stal nierdzewna
*Masa: 5,65 kg
*Produkt:
*Nr art.: 2515508
Marka
Symbol
812515508
Rodzaj towaru
Pompy do wody użytkowej
EAN
4016322868781
Kod producenta
2515508
Szerokość [mm]
150
Długość [mm]
188
Rodzaj akcesorium
Kompensator
Materiał
Stal nierdzewna
Nominalna średnica wewnętrzna przyłącza pompy
DN 40
Nominalna średnica wewnętrzna rury łączeniowej
DN 40
Długość towaru w centymetrach
15
Wysokość towaru w centymetrach
23.1
Szerokość towaru w centymetrach
18.8
Strona www producenta
www.wilo.pl
Zapytaj o produkt
Napisz swoją opinię












