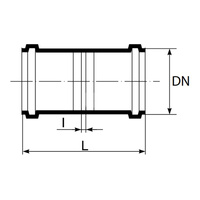
Dane techniczne
-
MateriałPE-RT II / Al / PE-RT II
-
Chropowatość powierzchni7 µm
-
Rozszerzalność cieplna0.026 mm/(m·K)
-
Przewodnictwo cieplne rurociągu0.43 W/(m·K)
Zastosowanie
- Do zimnej i ciepłej wody
- Do wody chłodzącej i grzewczej bez środka zapobiegającego zamarzaniu
- Do wody chłodzącej i grzewczej ze środkiem zapobiegającym zamarzaniu
- Do wody produkcyjnej i procesowej
- Do uzdatnionej wody
- Do wody deszczowej o współczynniku pH > 6,0
- Do wody morskiej
- Do wody gaśniczej (mokro)
- Do wody gaśniczej (mokro/sucho, sucho)
- Do chemikaliów i płynów technicznych
- Do sprężonego powietrza (klasa czystości oleju 0–3)
- Do podciśnienia
- Do gazów obojętnych (np. azot)
- Do instalacji domowych, w przemyśle i budownictwie okrętowym
Właściwości
- Zachowujący kształt
- Bezdyfuzyjny
- Czarny na zewnątrz
- Końcówka rury z przezroczystą zaślepką ochronną














