Dodaj produkty podając kody
Dodaj plik CSV
Wpisz kody produktów, które chcesz zbiorczo dodać do koszyka (po przecinku, ze spacją lub od nowej linijki).
Powtórzenie wielokrotnie kodu, doda ten towar tyle razy ile razy występuje.
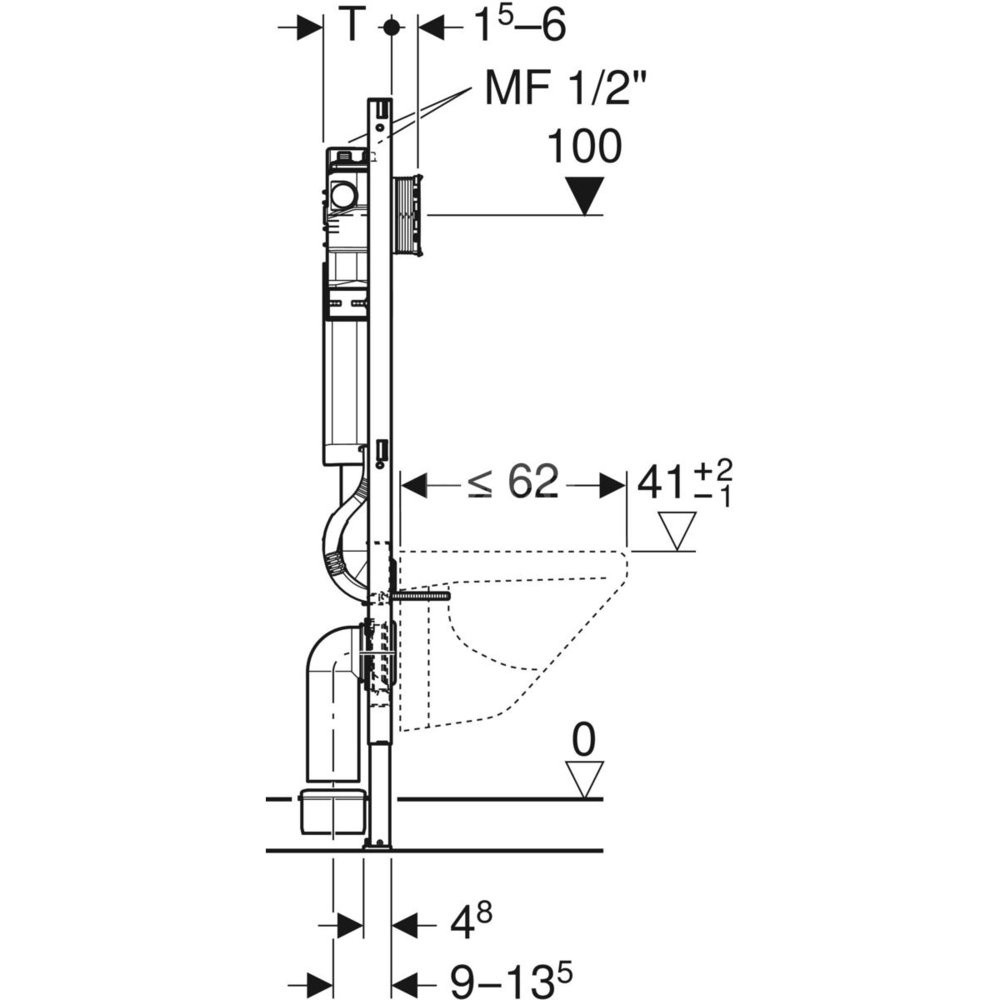
Element montażowy Geberit Duofix do wiszących misek WC,Sigma 12 cm H120, do spłukiwania higienicznego, z dwoma przyłączami wody
Rama z nawierconym otworem ø 9 mm do zamocowania w konstrukcji drewnianej
Rama przygotowana pod wsporniki do misek ustępowych o małej powierzchni przylegania
Nogi montażowe ocynkowane
Nogi montażowe o regulowanym położeniu w zakresie 0–20 cm
Nogi montażowe z funkcją samohamowania
Stopy z możliwością zmiany pozycji
Głębokość stóp odpowiednia do montażu w profilach U UW 50 i UW 75 oraz szynach systemowych Geberit Duofix
Kolano przyłączeniowe z możliwością montażu na różnych głębokościach bez użycia narzędzi, zakres regulacji 45 mm
Mocowanie kolana przyłączeniowego izolowane akustycznie
Spłuczka podtynkowa uruchamiana z przodu
Spłuczka podtynkowa z izolacją przeciwroszeniową
W przypadku ustawień fabrycznych ponowne spłukiwanie możliwe natychmiast
Obudowa ochronna otworu rewizyjnego chroni przed wilgocią i zabrudzeniami
Obudowa ochronna otworu rewizyjnego z możliwością skrócenia
Wyposażono w rurkę ochronną umożliwiającą szybkie podłączenie wody do toalet myjących Geberit AquaClean
Z możliwością zamocowania przyłącza elektrycznego
Możliwość wyboru programów spłukiwania (czas lub częstotliwość)
Kompatybilny z Geberit SetApp
Obsługa i pierwsze uruchomienie za pomocą Geberit SetApp
Możliwość odczytu protokołów za pomocą Geberit SetApp
Bezpotencjałowy wskaźnik awarii przez wejścia/wyjścia cyfrowe
Wbudowany czujnik podpiętrzenia
Zawór elektromagnetyczny zamykany bez zasilania
2 przyłącza do wody zimnej lub ciepłej R 1/2", typ MF, z niebieskimi zaślepkami ochronnymi, góra
Gwint zewnętrzny MF 1/2" typu MasterFix i MeplaFix
Zapytaj o produkt
Napisz swoją opinię
























